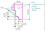
Стол для сбора отходов – это дополнительное оборудование, которое применяется в заведениях общественного питания. Эти сто...
Стол для сбора отходов – это дополнительное оборудование, которое применяется в заведениях общественного питания. Эти столы предназначены для разделки и обработки продуктов, а специальное отверстие в конструкции для удаления отходов облегчает работу и оптимизирует рабочий процесс. Под отверстие помещают бак для сбора отходов.
Поверхность стола представляет собой столешницу, рабочую поверхность, выполненную из пищевой нержавеющей стали, которая с внутренней стороны усилена ДСП. Таким образом, конструкция получает должную прочность и жесткость.
Стол имеет регулируемые ножки. Таким образом, вся конструкция установится более устойчивой, а сам стол можно регулировать по высоте и перемещать при необходимости по всему пространству кухни.